深圳市東么川伺服控制技術有限公司
電話:13316379101
郵箱:1355229533@qq.com
地址:深圳市龍華區民治街道樟坑社區青創城A棟B502
步進電機的功率驅動電路分類及功能介紹
發布時間:2018-12-12 03:49:20
按照電流流過繞組的方向是單向還是雙向,功率放大電路可分為:
單極性驅動電路:適用于反應式步進電動機
雙極性驅動電路:適用于永磁式和混合式步進電動機
一:單極性驅動電路
1、單電壓驅動
R1、R2:限流、減小通電和續流的時間常數
特 點:線路簡單/功放元件少/成本低/效率低

步進電動機單電壓驅動電路
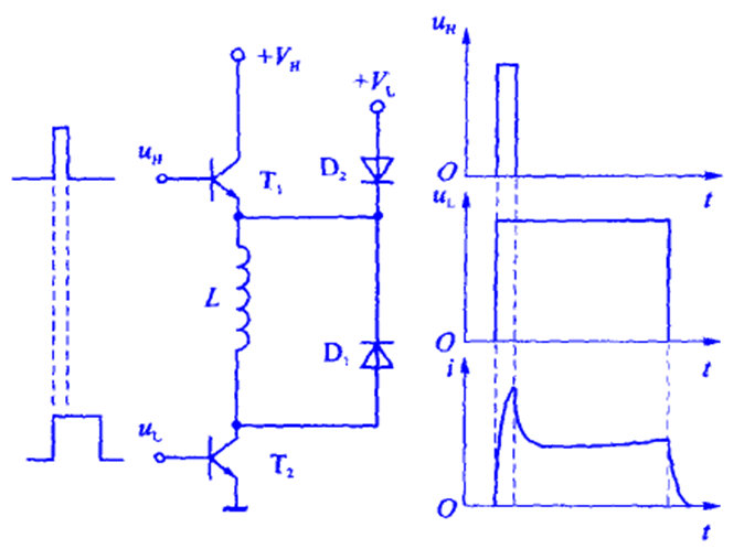
2、雙電壓驅動
1) 雙電壓法:在低頻段使用較低的電壓驅動,在高頻段使用較高的電壓驅動
低頻:給T1低電平®關斷。繞組由低電壓VL供電,控制脈沖通過T2使繞組得到低壓脈沖。
高頻:給T1高電平®導通。D2反向截止,切斷低電壓電源VL,電動機繞組由高電壓VH供電、控制脈沖通過T2,使繞組得到高壓脈沖。

雙電壓驅動原理
特點
保證了低頻段仍然只有單電壓驅動的特點。在高頻段具有良好的高頻性能,但仍沒擺脫單電壓驅動的弱點,限流電阻仍然會產生損耗和發熱。
2)高低壓法:不論電動機工作頻率如何,在繞組通電開始用高壓供電,使繞組中電流迅速上升,而后用低壓來維持繞組中的電流。
高低壓開關脈沖同時起步,高壓脈沖很窄
開始時T1T2同時導通, VH供電,i迅速上升VH很快關斷,VL繼續供電。

高低壓驅動原理
高低壓驅動法是目前普遍應用的一種方法。由于這種驅動在低頻時電流有較大的上沖,電動機低頻噪聲較大。存在低頻共振現象,使用時要注意。
3、 斬波驅動
ui為低電平時Tl和T2兩個開關管均截止;
ui為高電平時,T1和T2兩個開關管均導通,電源向繞組供電。

斬波驅動電路
由于繞組電感的作用,R上的電壓逐漸升高,當超過給定電壓uc時,比較器輸出低電平®與門輸出低電平® T1截止®電源被切斷;當取樣電阻上的電壓小于uc時,比較器輸出高電平,與門也輸出高電平,T1又導通,電源又開始向繞組供電。
特 點
T2每導通一次,Tl導通多次,繞組電流為鋸齒波。
在T2導通期間,電源是脈沖式供電的,所以提高了電源效率,并且能有效地抑制共振。由于無需外接限流電阻所以提高了高頻性能,但是,由于電流波形為鋸齒形,將會產生較大的電磁噪聲。
斬波供電只需單電源。

斬波供電的電流波形
二:雙極性驅動電路
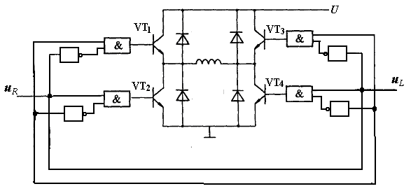
1、H橋驅動電路

使用H橋驅動,每相繞組必須用一個H橋。當電機的相數較多時,所用的開關管較多,成本較高。為此,可采用多相橋式驅動電路,使開關管的數目減少一半。
2、五相橋驅動五相混合式步進電動機

- 上一篇:步進電動機驅動控制器的構成
- 下一篇:步進電機的矩角特性
產品推薦:兩相步進電機
產品推薦:無刷電機
產品推薦:兩相步進驅動器
產品推薦:直流無刷驅動器




























地址 ADDRESS